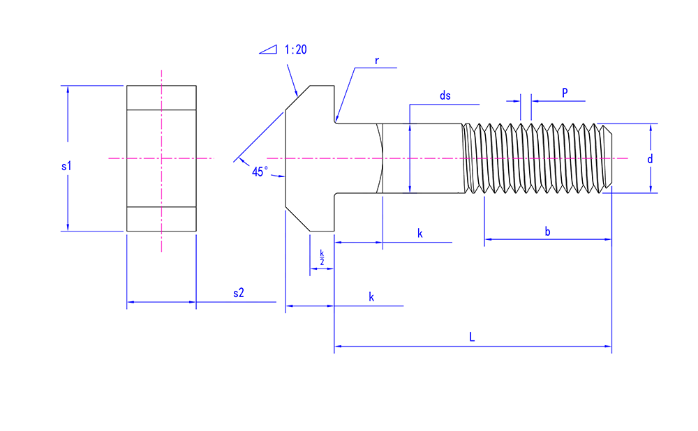
DIN186 Diver T-caput fulmina In Square collum clutis
| Caput Features | T-type caput anti-gyrationis quadrata colli |
| Virga Features | Duplex anti-gyrationis |
| Core Propositum | Rotatione prohibet, stabilitatem auget |
| Commoda et Features | Consilium collo quadratum rotationis obstat fulmen, fixings gravi officio apta |
| Typical Usus | Praeveni rotationem, summus oneris nexus, ut magna instrumenta, machinae graves. |
| Key Indicatores ad Electio | T-caput figura, collum quadratum amplitudo, fulmen longitudo, diameter, filum longitudo, materia. |
| Industria Imprimis Requisita | Machinatio gravis: aptum ad apparatum cum oneribus altis et necessitate ad arcendam rotationem fulmen. Automotiva industria: usus est summus fortitudo nexus qui impedire rotationis fulmen. |

















