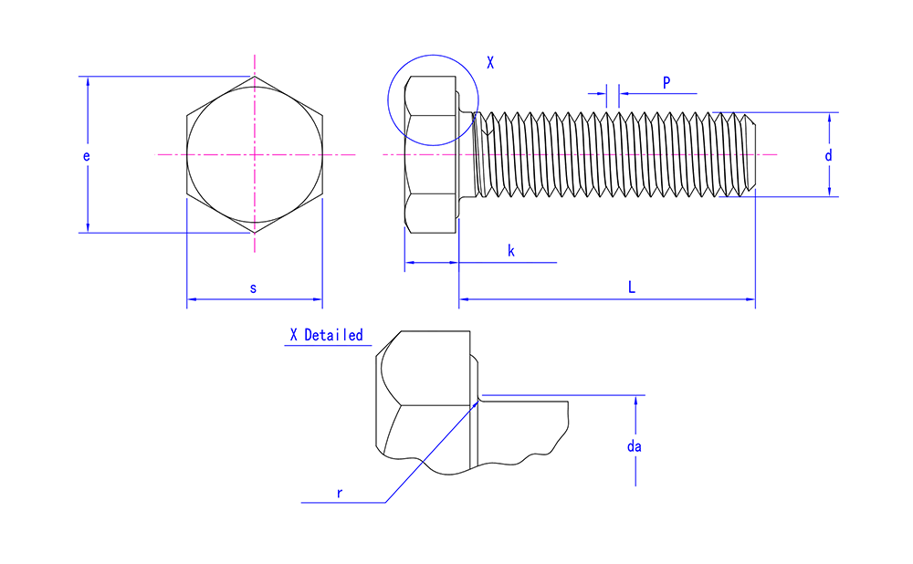
DIN CMXXXIII Steel Hexagon caput fulmina plena Thread
| Caput Features | plene Threaded |
| Virga Features | Standard Hexagon Head |
| Core Propositum | Usus ad nexus gravis officiorum, qui onera alta ferre potest. |
| Commoda et Features | Consilium plene stamineum firmiorem praebet connexionem robur, ad longum spatium aptum hospites. |
| Typical Usus | Nexus ad apparatum gravem, apparatum industrialem, industriam autocineticam, machinationem; et constructio facultas. |
| Key Indicatores ad Electio | Fulmen longitudine, diametro, plene staminea, materia delectu, capacitati onus. |
| Industria Imprimis Requisita | Machinatio gravis: sustinebat magnas intentiones et vires tondendas, validam figendi facultatem requirens. Constructio industria: apta nexus qui plenam contactum filorum requirunt. |















